8 傳感器配合絕對型編碼器
8 測量範圍0~32米(可(kě)根據測量精度調整)
8 測量分(fēn)辨率0.1cm—1cm
8 顯示分(fēn)辨率1cm,0.1cm
8 顯示方式LED數碼管及光(guāng)柱顯示
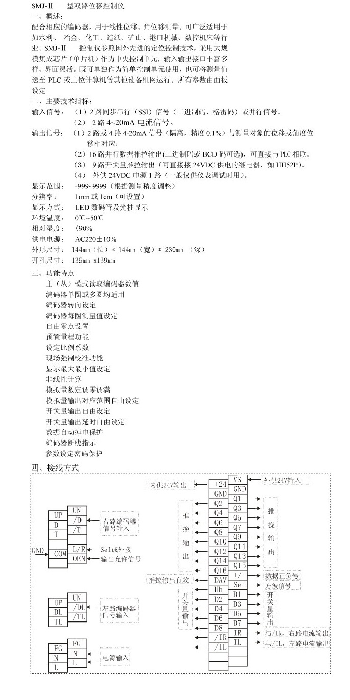
8 輸入電源220VAC±10%;選通(開關)位;編碼器SSI信号
8 輸出方式2路(lù)4-20mA信号,16路(lù)并行數據推拉輸出(二進制碼及BCD碼可(kě)選),數據有效位推拉輸出,9路(lù)開關量推拉輸出(可(kě)直接接24VDC供電的繼電器如(rú)HH52P)。
8 環境溫度0℃~50℃
8 相(xiàng)對濕度〈90%